分布式并網光伏群調群控系統應用背景
隨著分布式并網光伏整縣試點項目公示,全國整縣分布式市場正在如火如荼的推進。近期,江蘇、福建、浙江等省份要求分布式并網光伏電站具備接入分布式電源主站的功能,這意味著我國分布式并網光伏已步入規模化容量市場,對分布式電源管理將正式進入到標準化進程。本次群控群調范圍,主要針對10(6)kV~35kV電壓等級并網接入中低壓配電網的分布式并網光伏電站,其特點是數量龐大但分布分散,單體規模小但整體對網絡影響大。
分布式并網光伏群調群控系統規范、標準
根據《電力系統安全穩定導則》(GB38755-2019)、《分布式電源并網技術要求》(GB/T33593-2017)、《光伏電站接入電網技術規定》(Q/GDW617-2011)和《分布式并網光伏發電接入配電網相關技術規定(暫行)》中的有關規定要求,通過10(6)kV~35kV電壓等級并網的分布式電源應具有有功功率調節能力,并能根據電網頻率值,電網調度機構指令等信號調節電源有功功率輸出;分布式電源參與配電網電壓調節的方式可包括調節電源無功功率調節無功補償設備投入量以及調節電源變壓器變比,要求具備以下功能:
1、下轄逆變器(或數采裝置)、無功補償設備(含SVG、電抗器、電容器)必須具備數據上送能力,可接入三遙(遙測、遙控、遙調)功能;
2、按照給定的點表進行四遙功能配置,站內遠動機匯總站內電氣拓撲、調節電源、無功補償設備運行信息;
3、站內遠動機104數據轉發配置至主站,功率調節模式為主站下發調節電源、無功補償設備控制指令到遠動機,遠動機下發設備控制指令實現站內有功、無功、功率因素等的遙信采集、遙調功能和并網點開關的遙控功能;
4、通過數據網配置加密策略,打通與地調的前置通道將信號轉發至主站;
5、支持依據現場逆變器的運行功況,組串方式,將下達的目標值按規則分解為各個逆變器的調節量,
杭州領祺科技光伏通訊管理機可以充當站內遠動機和群調群控協同控制終端/分布式光伏逆變器數據采集器。一機多用,節省項目工程成本,按照給定的點表進行四遙功能配置,站內遠動機匯總站內電氣拓撲、調節電源、無功補償設備運行信息。適配各種類型的逆變器。
綜上要求,以配電主站為核心,以電氣距離接近、集中管控為原則,根據不同應用場景需求,支持直采方式或其它系統"代理"方式,進行一體化整合與集中協調控制,實現對多個分布式電源集中響應控制及調度指令。實現電網對所管轄地域分布式電站的群控群調管理。
分布式并網光伏逆變器專用于太陽能光伏發電領域的逆變器,是光伏系統中不可缺少的核心部件,其最大的作用在于將太陽能電池產生的直流電通過電力電子變換技術轉換為能夠直接并入電網、負載的交流能量。光伏并網逆變器的輸出電壓由電網決定的,當電網電壓超過逆變器工作電壓范圍時,逆變器故障停機,當電網電壓在逆變器工作電壓范圍內,逆變器正常工作。
電網對不同形式的逆變器輸出的電能質量有一定的要求,不同的規范、不同的逆變器存在一定的差異。
并網光伏逆變器作為光伏電池與電網的接口裝置,將光伏電池的電能轉換成交流電能并傳輸到電網上,在光伏并網發電系統中起著至關重要的作用,為了實現最佳方式的太陽能轉換,這勢必要求逆變器多樣化,這是由于建筑的多樣性導致太陽能電池板安裝的多樣性,同時為了使太陽能的轉換效率最高同時又兼顧建筑的外形美觀的緣故。目前通用的太陽能改逆變方式為:集中逆變器、組串逆變器,多組串逆變器和組件逆變(微型逆變器)。
分布式并網光伏并網逆變器是將太陽能直流電轉換為可接入交流市電的設備,是太陽能光伏發電站不可缺少的重要組成部分。以下對光伏電站設計過程中并網光伏逆變器及其選型做比較詳細的介紹和分析。
1. 分布式并網光伏并網逆變器在分布式并網光伏電站中的作用
分布式并網光伏發電系統根據其應用模式一般可分為獨立光伏發電系統、并網光伏發電系統以及混合系統,而并網分布式并網光伏發電系統的基本特點就是太陽電池組件產生的直流電經過并網光伏逆變器轉換成符合市電電網要求的交流電之后直接接入公共電網。分布式并網光伏發電在滿發以及容量占比達到一定比例時,容易引起電壓超限問題。電壓超限不僅影響了電能質量問題,而且限制了光伏在配電網中的滲透率。針對電壓超限,電網公司出臺了相應的光伏發電系統并網技術規范,業內也有通過逆變器控制方案來實現并網點電壓的調整或增加新的無功補償裝置應對等解決方案。
1.1 并網光伏電站的基本結構
1.2 并網光伏逆變器功作用和功能
并網光伏逆變器是電力、電子、自動控制、計算機及半導體等多種技術相互滲透與有機結合的綜合體現,它是光伏并網發電系統中不可缺少的關鍵部分。
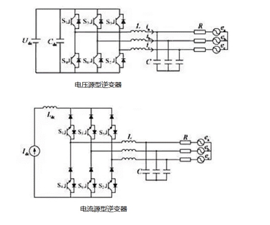
并網光伏逆變器是電壓源還是電流源?
首先需要確定光伏逆變器的電源類型,確定電網對逆變器的影響。并網逆變器是發電設備,屬于電流源。電流源的特性是內阻無窮大,輸出電流由設備內部算法進行控制。電壓及頻率由外電路(電網)決定,電流源的特點要求電流源不能開路(電網不能故障),電流源可以并聯使用。
而電壓源的特性是內阻為零,輸出電壓恒定不變;電流及其方向由電壓源與外電路共同決定。電壓源的特點要求電壓源不能短路。
并網光伏逆變器的主要功能是:
◆最大功率跟蹤◆DC-AC轉換◆頻率、相位追蹤◆相關保護
2. 并網光伏逆變器分類
并網光伏逆變器按其電路拓撲結構可以分為變壓器型和無變壓器型逆變器,其中變壓器型又分為高頻變壓器型和低頻變壓器型。變壓器型和無變壓器型逆變器的主要區別在于安全性和效率兩個方面。以下對三種類型逆變器做簡單介紹:
l 高頻變壓器型
采用DC-AC-DC-AC的電路結構,設計較為復雜,采用較多的功率開關器件,因此損耗較大。
l 低頻變壓器型
采用DC-AC-AC的電路結構,電路簡單,采用普通工頻變壓器,具有較好的電氣安全性,但效率較低。
l 無變壓器型
采用DC-AC的電路結構,無電氣隔離,電壓范圍較窄,但是損耗小、效率高。
不同類別的逆變器對于電壓超限、孤島保護等要求有較大區別,逆變器類別將根據《光伏發電并網逆變器技術要求》(GB/T37408-2019)中規定,逆變器按接入電源等級可分為A類、B類逆變器。
類別 | 對應標準 | 標準適用 |
A類逆變器 | 指應用于光伏發電站并 | GB/T19964適用于通過35kV及以 |
B類逆變器 | 指應用于光伏發電系統 | GB/T 29319適用于通過380V電壓 |
A類逆變器與公共電網的要求緊密,B類逆變器主要應用于分布式并網光伏發電系統,具有并網電壓低、與公用電網聯系不緊密、對電網影響小等特點。
A類逆變器在無功容量、故障穿越(低電壓穿越和高電壓穿越)、反孤島保護存在一定的差異要求。
隨著分布式電源接入比例的上升,電網做好分布式電源與電網統籌規劃,計算各級配電網承載力,加強配電網群測群控群調技術、有載調容調壓配電等關鍵技術。隨著新能源的大比例接入,目前電網對于對B類逆變器的技術要求逐步靠近、甚至參照A類逆變器。
針對逆變器與并網點電壓等技術要求,出臺了一系列的安規要求,主要標準如下:
《光伏發電并網逆變器技術要求》(GB/T37408-2019) 7.5.1 電壓適應性中規定:A類逆變器和B類逆變器的電壓范圍均為0.9p.u.至1.1p.u.
《光伏電站接入電力系統技術規范》(GB/T 19964-2012)9.1 電壓范圍規定了逆變器的電壓范圍為0.9p.u.至1.1p.u.
《光伏發電系統接入配電網技術規定》(GB/T 29319) 8.2 高/低壓保護詳細規定了逆變器的電壓范圍為0.85p.u.至1.1p.u.
三個標準中運行電壓范圍的低限數值不同,不同數值意味著不同制造成本。逆變器定值涉及分布式并網光伏的涉網性能,應該有嚴格的定值規范、審核流程和驗收管理。如山東要求10kV均按照電站級的電壓進行整定。
04.并網點電壓問題解決方案與對策
解決并網點電壓異常的方法:
1、逆變器功率控制
逆變器在并網環節能夠對光伏輸出的有功功率和無功功率實現調節控制,可以通過對功率的控制實現對并網點電壓的調整。
2、SVC/SVG無功補償裝置
無功補償對電力系統的重要性越來越受到重視,合理地使用無功補償設備,對調整電網電壓(控制電網電壓波動和閃變能力)、提高供電質量、抑制諧波干擾、保證電網安全運行都有著十分重要的作用。
3、配置儲能
1)儲能可以解決三相電壓不平衡問題。
2)通過功率型儲能的快速響應能力,也可以補償電壓閃變和暫降的電壓問題。
3)儲能能夠進行無功補償,改善功率因素,同時不影響光伏有功出力。
5 并網光伏逆變器主要技術指標
a.使用環境條件
逆變器正常使用條件:包括工作溫度、工作濕度以及逆變器的冷卻方式等相關指標。
b.直流輸入最大電流c.直流輸入最大電壓d.直流輸入MPP電壓范圍
逆變器對太陽能電池部分進行最大功率追蹤(MPPT)的電壓范圍,一般小于逆變器允許的最大直流輸入電壓,設計電池組件的輸出電壓應當在MPP電壓范圍之內。
e.直流輸入最大功率
大于逆變器的額定輸出功率,即通常所說的“逆變器功率”。為了充分利用逆變器的容量,設計接入并網光伏逆變器的電池組件的標稱功率可以等于直流側輸入最大功率。
f.最大輸入路數
指逆變器直流側可接入的直流回路數目。g. 額定輸出電壓
在規定的輸入條件下,逆變器應輸出的電壓值。電壓波動范圍一般應:單相220V±5%,三相380±5%。
h.額定輸出功率
在規定的輸出頻率和負載功率因數下,逆變器應輸出的額定電流值。i. 額定輸出頻率
在并網系統中,額定輸出頻率要對應所并入的電網頻率,而且當電網的頻率和相位有微小波動時,逆變器輸出的交流電應自動追蹤電網的頻率和相位。當檢測到電網頻率波動過大,逆變器將自動切離電網。我國的市電頻率為50Hz,并網光伏逆變器頻率波動范圍一般在±3%以內。
j.最大諧波含量
正弦波逆變器,在阻性負載下,輸出電壓的最大諧波含量應≤10%。
k.過載能力
在規定的條件下,在較短時間內,逆變器輸出超過額定電流值的能力。逆變器的過載能力應在規定的負載功率因數下,滿足一定的要求。
L.效率
在額定輸出電壓、輸出,電流和規定的負載功率因數下,逆變器輸出有功功率與輸入有功功率(或直流功率)之比。
目前很多廠家的逆變器效率標示了"效率"和"歐洲效率"兩種。"效率"一般指一天內某時刻逆變器的最大效率,而歐洲效率是根據一天內日照強度的變化計算加權值,通過特定的公式計算一天內的"平均效率",相對比較科學。很多公司的無變壓器型逆變器的“效率”值很高很高,其實理論上不太可能,可能
他們未考慮輸出功率因素的影響,將無功功率也計算在內而得出的最大效率。
m.負載功率因數
逆變器負載功率因數的允許變化范圍,推薦值0.7-1.0。n.負載的非對稱性
n.負載的非對稱性
在10%的非對稱負載下,固定頻率的三相逆變器輸出電壓的非對稱性應≤10%。o.防護等級
IP(INGRESS PROTECTION)防護等級系統是由IEC(INTERNATIONAL ELECTROTECHNICALCOMMISSION)所起草。IP防護等級是由兩個數字所組成,第1個數字表示燈具離塵、防止外物侵入的等級,第2個數字表示燈具防濕氣、防水侵入的密閉程度,數字越大表示其防護等級越高。
p.保護功能
逆變器應設置:短路保護、過電流保護、過電壓保護、欠電壓保護及缺相保護。
q.干擾與抗干擾
逆變器應在規定的正常工作條件下,能承受一般環境下的電磁干擾。逆變器的抗干擾性能和電磁兼容性應符合有關標準的規定。
R.噪聲
不經常操作、監視和維護的逆變器,應小于95db。經常操作、監視和維護的逆變器,應小于80db。
s.顯示
逆變器應設有交流輸出電壓、輸出電流和輸出頻率等參數的數據顯示,并有輸入帶電、通電和故障狀態的信號顯示。
t.通信接口
主要用于系統運行監控,一般的逆變器通訊接口模式有RS-485、RS-232以及GPRS。
u.機械參數
主要指逆變器的重量和尺寸。
分布式并網光伏逆變器的集采集控并網協調面臨的問題是分散點多分布面廣,各種連接線路電氣環境復雜,不同光伏電站終端采用的設備所具有的通信條件不同,不同分布式并網光伏逆變器通信規約不同。
分布式并網光伏電站逆變器的數據采集,戶用逆變器一般用精靈網關或逆變器采集棒,精靈網關的優勢在于可以遠程升級,可以在逆變器損壞更換的場景下,保護通信部件的投資,而且精靈網關可以采集多個終端設備,包括多戶多個逆變器,浪涌防雷,防逆流裝置,點表、電能質量表,氣象站,儲能電池控制等。靈活性更強。接的設備越多,需要的精靈網關的性能越高,通常需要專門的防雨裝置,或集成在光伏并網箱柜里面。
分布式并網光伏電站的數據采集逆變器采集棒方案的優勢在于實施簡易,插上即用,不足是不靈活,不同逆變器型號、接口、協議不同,需要專門配備對應的逆變器采集棒型號,一旦逆變器更換升級,原有的采集棒也需要替換,相當于對逆變器的深度綁定,因此靈活度不高,采集棒自帶防雨防水,內置物聯網網卡,一般也無法自行更換,所以選擇逆變器采集棒,一般就會深度綁定廠商。很難靈活調整。

要快速采集數據,采集棒可以分發,讓用戶領用自行安裝,自帶平臺和APP,快速上手使用。要靈活組網,上報多個上位機平臺(計價、運維維護、能源大數據、調控、預測),不僅采集逆變器數據,還要支持其他智能設備、氣象站、表計設備、安全設備(防雷防孤島防逆流線路保護等等,逆變器有時本身也具備這些功能),就需要精靈網關或更高性能的通信管理機。
逆變器的一般功能和采集點表
逆變器需要有交流過壓,欠壓保護,超頻、欠頻保護,高溫保護、交流及直流過流保護,直流過壓保護等功能。
逆變器必須具備快速監測孤島且監測到孤島后立即斷開與電網連接的能力。具備高/低電壓閉鎖、檢有壓自動并網功能(檢有壓85%UN自動并網)。
逆變器類型分布式電源應具備支持調度機構開展“四遙”(遙測、遙信、遙調、遙控)應用功能,逆變器應通過國家認可資質機構的檢測和認證。